Flashback

PNG is faster, but PostScript is sharper.
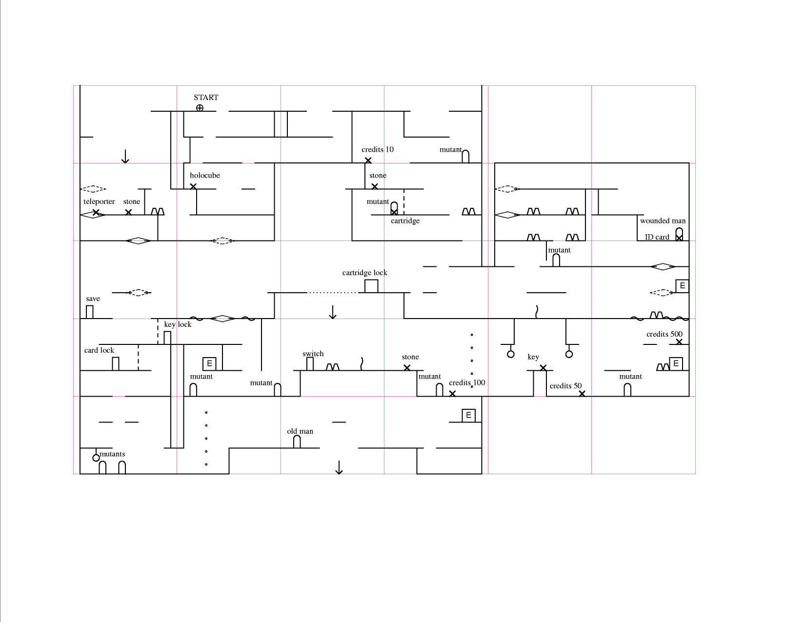
  • Titan [PNG]
  • Titan [PostScript]

  • Back to Crude ASCII Maps
    Col. G. L. Sicherman [ HOME | MAIL ]